您现在的位置是:生活百科网 > 生活百科 >
羽毛球介绍(羽毛球介绍50字)
2022-05-06 14:21生活百科 人已围观
简介了解羽毛球场地尺寸的目的:你所处的位置到网前或者是底线的距离,以及你采用什么样的步伐才能更容易到达。话不多说,我们先看一张羽毛球场的平面图:根据这个平面图,我们得...
了解羽毛球场地尺寸的目的:你所处的位置到网前或者是底线的距离,以及你采用什么样的步伐才能更容易到达。
话不多说,我们先看一张羽毛球场的平面图:
根据这个平面图,我们得知尺寸如下:羽毛球场地是一个长13.4米,宽6.1米的长方形,所以从球网到底线的距离是6.7米,也就是半场的距离。一个半场有三条横线,分别是前发球线,双打后发球线和单打后发球线;五条纵线,从前发球线中心到单打后发球线中线,我们称之为中线。中线往两侧方向分别是单打边线和双打边线。

前发球线:发球时球必须落在对方前发球线以内。如果落在前发球线和球网之间,则视为出界,司线员会喊出“出界”或者“OUT”。
双打后发球线:在双打时,发球方必须使球落在该线之内,如果超出,则会视为出界。
单打后发球线:则是规定了单打发球的最远距离,也是在比赛中球的最远落点。
中线:将场地分为左右两区,主要作用是针对发球时的站位进行规定。
单打边线:规定了单打时左右两侧的最远距离,超出即为出界。同理双打边线是规定了双打时左右两侧的最远距离。
除此之外,我们在打球时会遇到“压线”的情况,该怎么理解?
羽毛球场地的所有线宽为4厘米,所以球头压线的几率非常大。而从上图可知,场线也属于球场的一部分,所以只要球头有一丝压在线上,也属于界内。不过对于司线员而言不一定能看的真切,所以我们在看大型比赛时,选手有挑战鹰眼的权利,通过摄像机来看清楚球头是否压线。
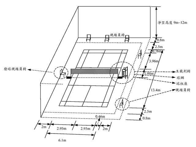
下面我们再看下球场的立体图:

通过立体球场我们看出:在赛场上有一名主裁判,一名发球裁判,以及8名司线员。主裁判是一片球场的最高裁判,可以判定、制裁该片球场的所有事宜。而运动员的所有请求,必须征得主裁判的同意之后方可进行,比如:换球、擦地板、挑战、受伤需要医疗及暂停等。除此之外,主裁判还须播报比分,播报胜负,纠正站位,纠正司线员判罚等诸多权利。
发球裁判:主要是在发球方发球时进行裁定是否违例,协助运动员换球;
司线员:在死球时对球的落点进行判定。若是界内则做出手势;若是界外球,在做出手势的同时须大声喊出:出界或者OUT;还有第三种情况,如果司线员未看清球的落点,则双手捂眼,示意自己未看清。此时则由主裁判进行裁定。

另外,球网的小知识大家也可以了解:羽毛球网长6.10米、宽76厘米,为优质深色的天然或人造纤维制成,网孔大小在15-20毫米之间。无论是单打还是双打,两根网柱都应分别立在双打场地边线的中点上。网柱高1.55米,所以,球网两端高度为1.55米。但球网是软的,所以中间肯定会低于边缘,在正式比赛中,球网中部上沿离地面必须为1.524米高。
通过以上的内容,我们是否可以更加明白羽毛球赛事的基本知识了呢?
下一篇:艮的读音粤语(艮的粤语怎么读音)
相关文章
- 2023北京本科普通批985院校投档线:清华685、北大683、武大653分
- 广东考生上华南理工大学难吗?
- 上海这3所大学2023考研复试分数线公布
- 最大相差178分!南京理工大学投档线集锦!最高681分,最低503分
- 2023湖北物理类投档线:武科大573、湖大563、江大536、武体506分
- 多少分能上南大?2023南京大学在苏录取数据盘点,这些途径可以走
- 2023山东高考,省内分数线最高的十所大学
- 国防科技大学录取分数线是多少?附国防科技大学毕业去向
- 郑州大学多少分能考上?2024才可以录取?附最低分数线
- 北京航空航天大学2023年录取分数线及省排名
- 哈尔滨工业大学(威海)、(深圳)校区2023年录取分数情况
- 2023广东本科投档线出炉!请看中大/华工/深大/华师/暨大等分数线
随机图文
世界十大催眠曲(世界十大催眠曲钢琴曲)
内容转载自:心合瑜伽ID:NewYogaView在懂得之后,每一个音符下,都埋藏一颗平...
记账凭证装订(记账凭证装订内容顺序)
最漂亮的会计凭证装订方法,你是否知道?会计档案的保存时间是多长?今天就...
国家干预经济(国家干预经济谁提出的)
一、美国自由经济造就了美国经济的大繁荣,但是也带了新的问题北方赢得美国...
影响气候的主要因素(影响气候的主要因素有哪三个)
从增暖速度上看,我国大于全球平均,山东大于全国平均。我国1961年建成较完...
穿越电视剧排行榜(穿越电视剧排行榜前十名小说)
最近几年网剧的质量是越来越高了,也出了很多非常经典的影视作品,自从杨幂...
中国兴业银行股价,中国兴业银行股票今日走势
大家好,如果您还对中国兴业银行股价不太了解,没有关系,今天就由本站为大...
酒驾是否无条件全责(酒驾是否无条件全责怎么理赔)
给大家普及一下,交通事故的责任判定是根据双方在此次事故中的过错来分担责...
调和油好吗「非转基因调和油好吗」
大家好,关于调和油好吗很多朋友都还不太明白,不过没关系,因为今天小编就...