您现在的位置是:生活百科网 > 生活百科 >
形位公差符号大全(形位公差符号大全及解释)
2022-04-13 15:07生活百科 人已围观
简介形位公差符号大全你知道吗?国际统一化的14项形位公差符号零件标注形位公差是根据什么来标注的一、形位公差零件加工时,不仅会产生尺寸误差,还会产生形状和位置误差。零件表面...
形位公差符号大全
你知道吗?国际统一化的14项形位公差符号
零件标注形位公差是根据什么来标注的
一、 形位公差
零件加工时,不仅会产生尺寸误差,还会产生形状和位置误差。
零件表面的实际形状对其理想形状所允许的变动量,称为形状误差。
零件表面的实际位置对其理想位置所允许的变动量,称为位置误差。
形状和位置公差简称形位公差。
二、 形位公差符号
三 形状公差
3.1 直线度()——直线度公差是实际直线对理想直线的允许变动量,限制了加工面或线在某个方向上的偏差,如果直线度超差有可能导致该工件安装时无法准确装入工艺文件规定的位置。

? 标注含义:被测表面投影后为一接近直线的“波浪线”(如下图),该“波浪线”的变化范围应该在距离为公差值t(t=0.1)的两平行直线之间。

3.2 平面度 ——平面度表示面的平整程度,指测量平面具有的宏观凹凸高度相对理想平面的偏差,一般来讲,有平面度要求的就不必有直线度要求了,因为平面度包括了面上各个方向的直线度。

? 标注含义:被测加工表面必须位于距离为公差值t(t=0.01)的两平行平面内,如下图区域。

3.3 圆度(○)——是指工件横截面接近理论圆的程度,工件加工后的投影圆应在圆度要求的公差范围之内。

? 标注含义:被测圆柱面的任意截面的圆周必须位于半径差为公差值t (t=0.025)的两同心圆之内,如右图区域。

3.4 圆柱度( )——是限制实际圆柱面对理想圆柱面变动量的一项指标。
它控制了圆柱体横截面和轴截面内的各项形状误差,如圆度、素线直线度、轴线直线度等。
圆柱度是圆柱体各项形状误差的综合指标。

标注含义:被测圆柱面必须位于半径差为公差值t(t=0.1)的两同轴圆柱面之间,如图。

? 圆柱度和圆度的区别:圆柱度是相对于整个圆柱面而言的,圆度是相对于圆柱面截面的单个圆而言的,圆柱度包括圆度,控制好了圆柱度也就能保证圆度,但反过来不行。
? 圆柱度和圆度的作用:柴油机的结构中有多处规定了圆柱度和圆度,如发动机的活塞环,控制好活塞环的圆度可保证其密封性,而活塞的圆柱度则对于其在缸套中上下运动的顺畅性至关重要。
四 位置公差
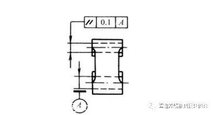
4.1 平行度( )——,指两平面或者两直线平行的程度,即其中一平面(边)相对于另一平面(边)平行的误差最大允许值。

? 标注释义:被测轴线必须位于距离为公差值t(t=0.1),且在给定方向上平行于基准轴线的两平行平面之间。

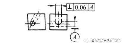
4.2 垂直度(⊥)——用于评价直线之间、平面之间或平面与直线之间的垂直状态,公差带为垂直于基准线(面)的两个平行平面之间的区域,两个平行平面间的距离为t(t=0.06),被测线(面)必须位于这两个平面之间。

? 标注释义:被测孔的轴线必须位于距离为公差值t(t=0.06),且垂直于基准线A(基准孔轴线)的两平行平面之间,其公差带是距离为公差值t,且垂直于基准线的两平行平面之间的区域。

4.3 倾斜度(∠)——用来控制零件上被测要素(平面或直线)相对于基准要素(平面或直线)的方向偏离某一给定角度(0°~90°)的程度,即要求被测要素对基准成一定角度(除90°外)。

? 标注释义:被测孔的轴线必须位于距离为公差值t(t=0.08),且与A-B公共基准线成一理论正确角度α(α=60°)的两平行平面之间,即如右图所示两平行平面之间的区域。

4.4 同轴度(◎)——指工件要求的轴线偏离基准线所在直线的程度,即理论上应在同一直线上的两根轴线,他们发生了偏离,规定该偏离的最大值为t/2。

? 标注释义:图中有同轴度要求的大圆的轴线必须位于以公共基准轴线A-B为轴线,以公差值t(t=0.08)为直径的圆柱内,其公差带范围如图

4.5 对称度( )——指加工两表面的中心平面偏离基准的程度,即要求的对称中心与实际对称中心保持在同一平面内的状况。

? 标注释义:图中对称度图标所要表示的面为两加工面的中心平面,该中心平面必须位于距离为公差值0.08,且相对于基准中心平面A对称分布的两平行平面之间

4.6 位置度——用于形容测量点或线与其理论所在位置的偏差,公差带即为该偏差的大小。

? 标注释义:左图中表示位置度的箭头所指点必须位于以公差值0.3为直径的圆内(φt=φ0.3),该圆的圆心位于相对基准A和B(基准直线)所确定的点的理想位置上,即距A面68,距B面100,公差带范围如右图。

跳动公差——关联实际要素绕基准轴线回转一周或连续回转时所允许的最大跳动量。
跳动公差包括圆跳动和全跳动。
4.7 圆跳动 ——圆跳动,指工件绕基准旋转一周,测量器具在固定位置的显示值的变动范围
? ⑴.径向圆跳动

? 标注释义:当被测圆柱表面绕基准线A-B(公共基准轴线)旋转一周时,圆柱表面任一截面圆的径向跳动量均不得大于t(t=0.1)。

? ⑵.端面圆跳动

? 标注释义:被测端面绕基准D(图中零件的轴线)旋转一周时,端面的任一点的轴向跳动量均不得大于0.1,如下图所示,端面的移动范围必须在相距为t(t=0.1) 的两面之间。
? 区别:径向圆跳动测量的是圆柱外表面随圆柱绕基准的转动产生的径向跳动,而端面圆跳动测量的是圆柱的端面产生的轴向跳动
冲压模具设计-形位公差符号及标注含义,零件标注形位公差是根据什么来标注的
几种粗糙度符号,同事随手一标成本高一倍,被老板骂!机械设计零件图中需要对零部件表面粗糙度要求进行...
相关文章
- 2023北京本科普通批985院校投档线:清华685、北大683、武大653分
- 广东考生上华南理工大学难吗?
- 上海这3所大学2023考研复试分数线公布
- 最大相差178分!南京理工大学投档线集锦!最高681分,最低503分
- 2023湖北物理类投档线:武科大573、湖大563、江大536、武体506分
- 多少分能上南大?2023南京大学在苏录取数据盘点,这些途径可以走
- 2023山东高考,省内分数线最高的十所大学
- 国防科技大学录取分数线是多少?附国防科技大学毕业去向
- 郑州大学多少分能考上?2024才可以录取?附最低分数线
- 北京航空航天大学2023年录取分数线及省排名
- 哈尔滨工业大学(威海)、(深圳)校区2023年录取分数情况
- 2023广东本科投档线出炉!请看中大/华工/深大/华师/暨大等分数线
随机图文
什么的田野填词语(什么的田野填词语四字)
什么的田野填词语每个人都需要善良,都需要真诚,就象山峦田野,需要绿色;...
一架武直有多贵?最牛的价格超过一个坦克营,某大国感叹真买不起
陆军无用论的产生已经不是一天两天了,但不论如何,陆军的地位只是相对下降...
宝马x1使用视频教程 宝马x1怎样操作视频
老铁们,大家好,相信还有很多朋友对于宝马x1使用视频教程和宝马x1怎样操作...
麒麟810和骁龙845(麒麟810和骁龙778g哪个好)
麒麟810和骁龙845华为海思芯片能做的世界级别也是国之骄傲!CPU性能天梯图,麒...
日本最火的10首歌曲(日本最火的10首歌曲KTV)
日本最火的10首歌曲盘点直击灵魂的日本纯音乐,每首都能听出中国历史的厚重...
2023各院校投档分数线 多少分能上
由于每年各省的高考分数线都是不同的,所以全国各大院校高考录取分数在各省...
大学生农村创业(大学生返乡创业)
大学生农村创业大学生在农村怎么赚钱?很高兴来回答你这个问题,那么大学生...
抖音可以屏蔽某个人吗(抖音可以屏蔽某个人吗)
抖音可以屏蔽某个人吗看到有网友提到:如果抖音里发布作品,能设置“仅陌生...